
2 Schächte, 1 Haltung 10 m lang
kein Geländemodell
kein Gefälle, Rohrsohle konstant 2 m tief
Schachtdatenbank

Die Länge und Breite des Schachtes wurde auf 1 m gesetzt. Diese Einträge werden für die Berechnung der Schachtbaugrube verwendet.
Haltungsdatenbank

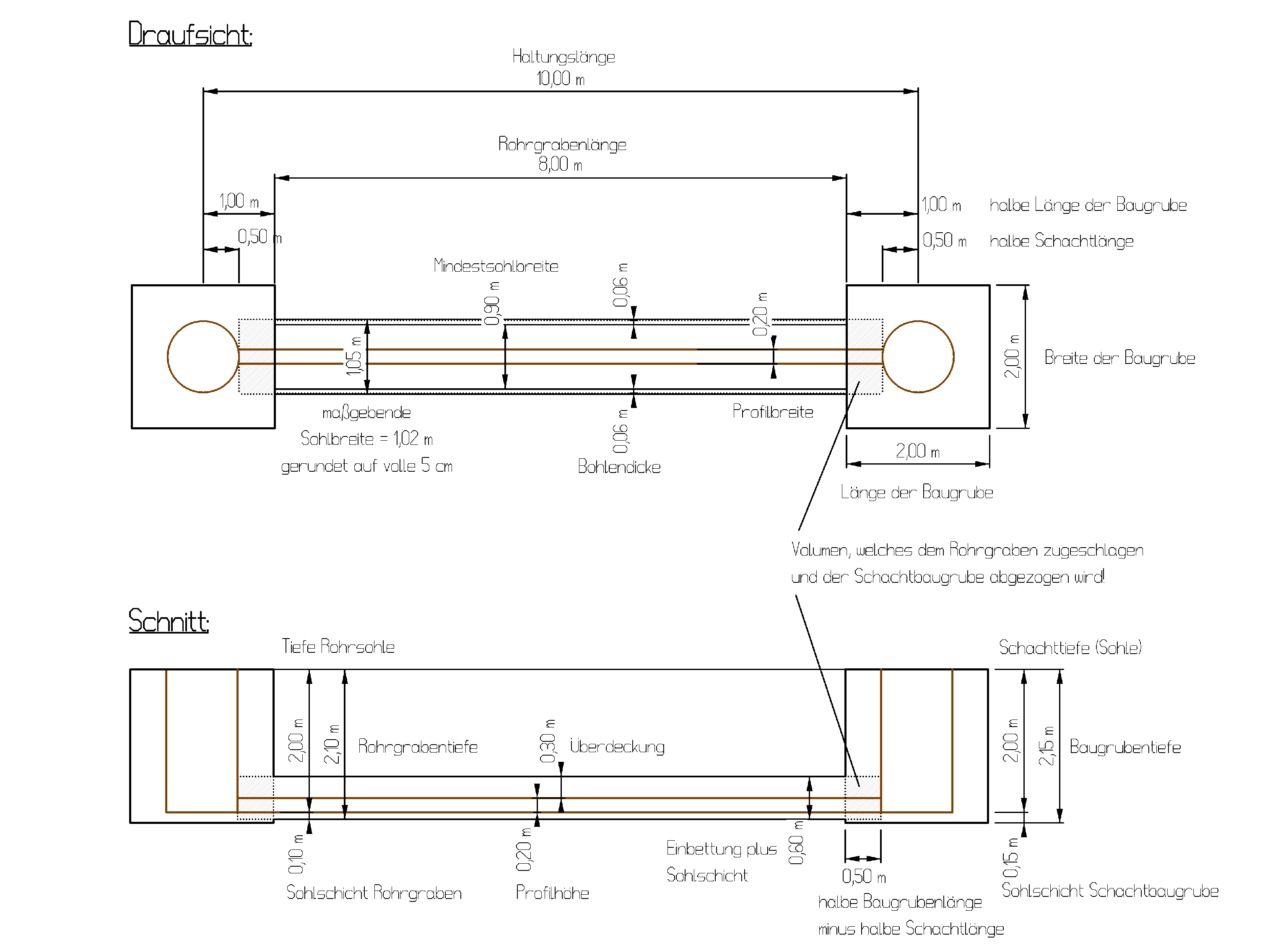
Hier kann man sehen, dass die Rohrsohle bei 2 m Tiefe liegt und kein Gefälle vorhanden ist. Die Haltungslänge beträgt 10 m und es wird ein Kreisprofil DN 200 verwendet. Die Rohrwandstärke wurde nicht eingegeben. Diese Werte gehen in die Berechnung der maßgebenden Sohlbreite sowie der Tiefe des Rohrgrabens ein.
Allgemeine Parameter Aushub

Parameter Aushub Schacht

Die eingestellte Grabenart „unverbaut“ ist interessant für die Eingabe der Werte am Schachtquerschnitt.
Schachtlänge und -breite sind nicht eingebbar, da diese in der Schachtdatenbank eingegeben wurden.

Länge Schachtbaugrube = Länge Schacht + 2 * Arbeitsraumbreite
Breite Schachtbaugrube = Breite Schacht + 2 * Arbeitsraumbreite
2,0 m = 1,0 m + 2 * 0,5 m
Tiefe Schachtbaugrube = Tiefe Schachtsohle + Dicke Sohlschicht
2,15 m = 2,0 m + 0,15 m
Die Dicke des Schachtbodens bleibt unberücksichtigt, da dem Schacht kein Eintrag aus der Materialdatenbank zugeordnet wurde und somit dieser Wert auch nicht vom entsprechenden Unterteil ermittelt wird.
Parameter Aushub Haltung

Nach eingestellter Norm EN 1610, Nennweite = 200 und Rohrgrabentiefe = 2,12 m gilt als Mindestgrabenbreite der größere von folgenden beiden Werten:
entweder für DN <= 225:
Abstand (nach Norm) = 0,4 = 2 * Arbeitsraumbreite
Sohlbreite = Profilbreite + Abstand + 2 * Bohlendicke
0,72 m = 0,2 m + 0,4 m + 2 * 0,06 m -> gerundet auf volle 5 cm = 0,75 m
oder für Tiefenzone >= 1,75 m <= 4,0 m:
Mindestbreite (nach Norm) = 0,9 m
Sohlbreite = Mindestbreite + 2 * Bohlendicke
1,02 m = 0,9 m + 2 * 0,06 m -> gerundet auf volle 5 cm = 1,05 m

Grabentiefe:
Um das Beispiel einfach zu gestalten, werden ein konstantes Gelände sowie kein Gefälle in der Rohrsohle gewählt. Damit hat die Rohrsohle an allen Punkten der Haltung die gleiche Tiefe.
Grabentiefe = Tiefe Rohrsohle + Sohlschicht
1,1 m = 2,0 m + 0,1 m
Einbettungsschicht:
Dicke Einbettung = Profilhöhe + Maß Überdeckung
0,5 m = 0,2 m + 0,3 m
Ergebnisse
Haltung

Rohrgraben zwischen den Schachtbaugruben:
Aushubmenge = Rohrgrabenlänge * Sohlbreite * Grabentiefe
17,64 m³ = 8,0 m * 1,05 m * 2,1 m
Volumen innerhalb der Schachtbaugrube, welches dem Rohrgraben zugeschlagen wird:
Zuschlagsvolumen = (Baugrubenlänge * 0,5 – Schachtlänge * 0,5) *
(Einbettung + Sohlschicht) * Sohlbreite
0,315 m³ = (2,0 m * 0,5 – 1,0 m * 0,5) * (0,5 m + 0,1 m) * 1,05 m
0,315 m³ = 0,5 m * 0,6 m * 1,05 m
Summe = Rohrgraben + 2 * Zuschlagsvolumen (für Anfangs- und Endschacht)
18,27 m³ = 17,64 m³ + 2 * 0,315 m³
Schacht

Schachtbaugrube komplett:
Aushubmenge = Baugrubenlänge * Baugrubenbreite * Baugrubentiefe
8,6 m³ = 2,0 m * 2,0 m * 2,15 m
Volumen innerhalb der Schachtbaugrube, welches von dieser abgezogen wird, da es dem Rohrgraben zugeschlagen wurde:
Abzugsvolumen = Zuschlagsvolumen Rohrgraben = 0,315 m³
Volumen Schachtbaugrube:
Aushubmenge = Schachtbaugrube komplett - Abzugsvolumen
8,285 m³ = 8,6 m³ - 0,315 m³
Maße


